Seitliche blinkleuchte aus - und einbauen
Golf
Die seitliche blinkleuchte sitzt im außenspiegel. Die leuchtdioden der blinkleuchte können nicht einzeln ersetzt werden.
Bei einem defekt muss die komplette blinkleuchte ausgetauscht werden.
Ausbau
- Zündung und schalter der leuchte ausschalten.
- Spiegelglas ausbauen, siehe seite 309.
- Spiegelgehäuse mit blende ausbauen, siehe seite 310.

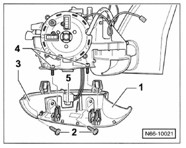
- 2 Schrauben - 4 - herausdrehen und unteres gehäuseteil - 1 - nach unten vom spiegelträger abnehmen.
- Stecker - 5 - von der blinkleuchte abziehen.
- 2 Schrauben - 2 - herausdrehen und blinkleuchte - 3 - vom unteren gehäuseteil - 1 - abnehmen.
Einbau
- Der einbau erfolgt in umgekehrter ausbaureihenfolge.
Speziell touran
- Spiegelglas ausbauen, siehe seite 309.
- Spiegelgehäuse ausbauen, siehe seite 310.

- Stecker - 1 - abziehen und blinkleuchte - 2 - nach außen -pfeil- aus dem spiegelträger herausziehen.
Siehe auch:
Glühlampe für Rücklicht, Nebelschlussleuchte
oder Rückfahrscheinwerfer in der Heckklappe
auswechseln
Die Glühlampen befinden sich in der Heckklappe.
Abb. 62 Ausschnitt von der Heckklappe: Abdeckung abnehmen.
Abb. 63 Ausschnitt von der Heckklappe: Glühlampenhalter ausbauen.
Zum Abnehm ...
Fahrzeuglack konservieren
Regelmäßige Konservierung schützt den Fahrzeuglack.
Konservieren Sie den Fahrzeuglack spätestens dann mit einem guten
Hartwachskonservierer, wenn auf
dem sauberen Lack das Was ...
Neuer Jetta Hybrid ab sofort bestellbar
In Deutschland startet heute der Vorverkauf des neuen VW Jetta Hybrid, der Mitte April 2013 hierzulande ab 31.300 Euro in den Handel kommt. Die Limousine gehört zu den erfolgreichsten Volkswagen- ...


