Lenkstockschalter aus - und einbauen
Golf/touran
Als lenkstockschalter bezeichnet man die beiden schalter an der lenksäule für blinker/fernlicht und scheibenwischer.
Ausbau
- Batterie abklemmen achtung: hinweise im kapitel "batterie aus- und einbauen" beachten.
Sicherheitshinweis
Unbedingt airbag-sicherheitshinweise befolgen, siehe seite 148.
- Airbageinheit am lenkrad ausbauen, siehe seite 149.
- Räder in geradeausstellung bringen und lenkrad ausbauen, siehe seite 150.
- Lenksäulenverkleidung ausbauen, siehe seite 251.
Hinweis: die folgenden abbildungen zeigen den lenkstockschalterblock in ausgebautem zustand.

- Schraube - 1 - unterhalb der drehkontaktspirale - 4 - herausdrehen.
5 - Zündschloss.
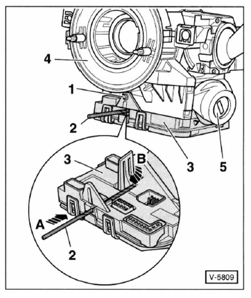
- Bohrer - 2 - oder draht mit 0 2,5 mm etwa 45 mm tief in die bohrung des steuergerätes - 3 - für lenksäulenelektronik einschieben -pfeil a-. Hierdurch wird die innere rastlasche entriegelt -pfeil b-.

- Mit einem schraubendreher zum entriegeln gegen die rastlasche -pfeil- hinten am steuergerät - 3 - drücken.
- Steuergerät vorsichtig nach unten vom lenkstockschalterblock abziehen. 5 - Zündschloss.
- Stecker - 6 - entriegeln und vom steuergerät abziehen.
- Sicherungsriegel am stecker - 7 - herausziehen, stecker entriegeln und vom steuergerät abziehen.
Achtung: beim einbau des steuergerätes dürfen die kontaktstifte der steckverbindungen nicht verbogen werden. Die stecker müssen hörbar einrasten.

- Rastlaschen -pfeile- etwas anheben und drehkontaktspirale - 1 - von der lenksäule und dem lenkstockschalterträger abziehen.
Achtung: die drehkontaktspirale darf nicht aus der mittelstellung verdreht werden; gegebenenfalls mit einem klebestreifen fixieren.
Hinweis: zur kennzeichnung der mittelstellung ist auf der drehkontaktspirale eine markierung angebracht, die in einem kleinem sichtfenster erscheinen muss.

- Lenkwinkelsensor - 1 - nach hinten -pfeil- von dem lenkstockschalterträger abziehen. 2 - Lenksäule.

- Fühlerblattlehre - 1 - mit 1,0 mm stärke in den spalt zwischen lenkstockschalter und träger einschieben und halteklammern entriegeln -pfeil a-.
- Scheibenwischerschalter - 2 - nach hinten vom lenkstockschalterträger abziehen -pfeil 8 - ,
- Blinkerschalter in gleicher weise ausbauen.
Einbau
- Der einbau erfolgt in umgekehrter ausbaureihenfolge, der lenkstockschalter muss dabei hörbar einrasten.
- Wird ein neuer lenkwinkelsensor eingebaut, muss in der
fachwerkstatt eine grundeinstellung vorgenommen werden.
Auch bei austausch des steuergerätes muss das steuergerät in der werkstatt codiert werden.
Siehe auch:
Distanz einstellen
Die Distanz zum vorausfahrenden Fahrzeug kann in fünf Stufen eingestellt
werden.
Abb. 53 Prinzipdarstellung: Bedienungshebel der automatischen Distanzregelung.
Distanz vergrößern
...
Leerlaufdrehzahl/zündzeitpunkt/ co-gehalt
prüfen und einstellen
Im rahmen der wartung ist es nicht erforderlich, leerlaufdrehzahl,
zündzeitpunkt und co-gehalt einzustellen, da die
werte permanent elektronisch nachgeregelt werden.
Falls die tatsächli ...
Warum ist die Sitzeinstellung so wichtig?
Die richtige Sitzeinstellung ist unter anderem wichtig für die optimale
Schutzwirkung der Sicherheitsgurte und des Airbag-Systems.
Ihr Fahrzeug hat insgesamt fünf Sitzplätze. Zwei Sit ...


