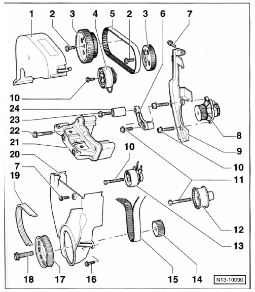
Zahnriementrieb
1,4-L-benzinmotor bca mit 55 kw (75 ps)

- Zahnriemen-abdeckung oben
- Schraube, 20 nm + 90" (v" umdrehung) immer ersetzen. Zum lösen und anziehen wird das absteckwerkzeug vw-t10016 benötigt.
- Nockenwellenrad die fixierbohrungen in den nockenwellenrädern müssen mit den passbohrungen im nockenwellengehäuse fluchten.
- Koppeltrieb-spannrolle
- Koppeltrieb-zahnriemen vor dem ausbau laufrichtung auf dem riemen kennzeichnen. Auf verschleiß prüfen, nicht knicken.
- Halter
- Schraube, 10 nm
- Kühlmittelpumpe bei beschädigungen und undichtigkeiten komplett ersetzen.
- Zahnriemen-abdeckung hinten
- Schraube, 20 nm
- Schraube, 50 nm
- Umlenkrolle für haupttrieb-zahnriemen
- Haupttrieb-spannrolle
- Kurbelwellen-zahnriemenrad ot-stellung: der abgeschrägte zahn muss mit der markierung auf dem ölpumpengehäuse übereinstimmen.
- Haupttrieb-zahnriemen vor dem ausbau laufrichtung auf dem riemen kennzeichnen. Auf verschleiß prüfen, nicht knicken.
- Schraube, 12 nm immer ersetzen.
- Kurbelwellen-riemenscheibe bei der montage fixierung beachten.
- Schraube
achtung: es können 2 unterschiedliche
schrauben eingebaut
sein. Schraube nach dem ausbau
grundsätzlich ersetzen.
Achtung: die anpressflächen zwischen riemenscheibe und befestigungsschraube müssen öl- und fettfrei sein. Schraube mit geöltem gewinde einsetzen.
Anzugsdrehmomente: alte schraube, erkennbar am massiven schraubenkopf: 90 nm + 90 ('/4 umdr.).
Neue schraube, erkennbar am angebohrten schraubenkopf: 150 nm + 180 (v4 umdr.).
Das weiterdrehen der schraube kann in mehreren stufen erfolgen.
Der weiterdrehwinkel kann mit einer handelsüblichen winkelmessscheibe, zum beispiel hazet 6690. Gemessen werden.
- Keilrippenriemen vor dem ausbau laufrichtung auf dem riemen kennzeichnen. Auf verschleiß prüfen, nicht knicken.
- Zahnriemen-abdeckung unten
- Motorhalter
- Schraube, 50 nm immer ersetzen.
- Schraube. 25 Nm
- Umlenkrolle
Siehe auch:
Mazda CX-5 VW Tiguan im Test: Großer Sauger gegen kleinen Turbokompressor
Während die Motorenkünstler hierzulande mit weniger Hubraum und Zylindern, aber immer komplexeren Aufladesystemen dem Downsizing frönen, gehen die Mazda-Techniker im Benzindirekteinspri ...
Wartung
Der golf/touran kann nach unterschiedlichen wartungssystemen
gewartet werden.
Fahrzeuge mit der pr-nummer "qg1" werden nach dem
longlife-service-system mit flexiblen wartungsintervallen
gewartet ...
Im Touareg von Melbourne nach St. Petersburg in Weltrekord-Zeit
„Ausgepowert, aber glücklich!“, so beschreiben sich Rainer Zietlow und sein Team nach der Rekordfahrt vom australischen Melbourne ins russische St. Petersburg. Am 13. August 2012 um 2 ...


