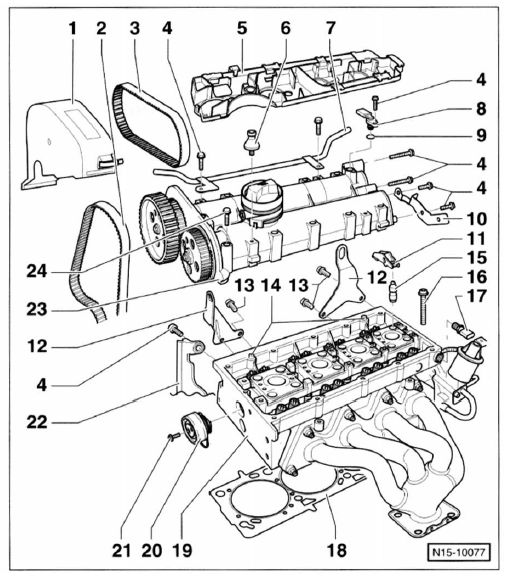
Zylinderkopf
1,4-L-benzinmotor bca mit 55 kw (75 ps)

- Zahnriemen-abdeckung oben
- Haupttrieb-zahnriemen
- Koppeltrieb-zahnriemen
- Schraube, 10 nm
immer ersetzen.
Von außen nach innen anziehen.
- Leitungsführung, 8 nm
- Stehbolzen, 6 nm für luftfilter.
- Kühlmittelrohr
- Hallgeber
- 0 - R i n g immer ersetzen.
- Halter
- Rollenschlepphebel
rollenlager auf leichten lauf prüfen.
Lauffläche ölen. Zur montage mit der sicherungsklammer auf das abstützelement aufclipsen.
- Aufhängeöse
- Schrauben, 20 nm
- Passstifte
- Abstützelement
beim einbau nicht vertauschen. Mit
hydraulischem ventilspielausgleich.
Lauffläche ölen.
- Zylinderkopfschraube
immer ersetzen.

Zylinderkopfschrauben in 3 stufen anziehen. In jeder stufe die reihenfolge von 1 bis 10 einhalten.
I . Stufe 30 nm
2. Stufe 90 ('/" umdr.)
3. Stufe 90 ('/" umdr.)
- Öldruckschalter, 25 nm 0,3 - 0,7 bar. Dichtring bei undichtigkeit aufkneifen und ersetzen.
- Zylinderkopfdichtung immer ersetzen. Nach dem ersetzen das gesamte kühlmittel wechseln.
- Zylinderkopf
- Koppeltrieb-spannrolle
- Schrauben, 20 nm
- Zahnriemen-abdeckung hinten
- Nockenwellengehäuse alte dichtmittelreste entfernen. Vor dem auflegen mit dichtmittel vwd188003a1 bestreichen, siehe abbildung n15-0075. Beim einbau vorsichtig senkrecht von oben auf die stehbolzen und passstifte aufsetzen.
- Schraube, 10 nm + 90 ('/" umdr.) Immer ersetzen. Spiralförmig von innen nach außen anziehen.
Siehe auch:
Zündkerzen erneuern
Erforderliches spezialwerkzeug:
Zündkerzenschlüssel, zum beispiel hazet 4766-1.
Je nach motor unterschiedliche abziehwerkzeuge:
1,4-/1,6-L-motor bca/bkg/bln/bag/blf/blp: abzieher
vw- ...
Zylinderkopfdeckel/zylinderkopf
1,9-/2,0-L-dieselmotor avq/bru/bjb/bkc/bls/bdk
mit 55/66/74/77 kw (75/90/100/105 ps)
Achtung: der exakte wechsel von zylinderkopf/zylinderkopfdeckel
wird nicht beschrieben. Hier einige wichtige ein ...
Leseleuchten vorne
Abb. 46 Ausschnitt vom Dachhimmel bei Fahrzeugen ohne Innenraumüberwachung:
Tasten für die Leseleuchten
(1) vorne.
Abb. 47 Ausschnitt vom Dachhimmel bei Fahrzeugen mit Innenraumü ...


