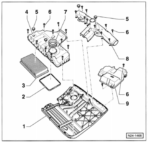
Luftfilter aus- und einbauen/zerlegen
1,4-L-benzinmotor bca

- Luftfiltergehäuse-oberteil
	hinweis: luftfiltergehäuse-oberteil
	und -unterteil bilden die obere motorabdeckung.
Ausbau: schlauch vom ölabscheider bzw. Rückschlagventil abziehen. Obere motorabdeckung von den hallerungen und von der drossselklappen- steuereinheit nach oben abziehen. 
- Dichtung einbaulage beachten. Bei beschädigung ersetzen.
- Filtereinsatz
- Luftfiltergehäuse-unterteil
- Gummieinlage
- Schraube, 3 nm achtung: die selbstschneidenden schrauben dürfen nicht mit einem akku-schrauber gelöst oder angezogen werden, sonst kann das gewinde im saugrohr oder im luftfiltergehäuse- unterteil beschädigt werden.
- Dichtring auf festen sitz achten. Bei beschädigung ersetzen.
- Ansaugstutzen mit regelklappe
- Abdeckung
1,4-/1,6-L-fsi-motor

- Luftfiltergehäuse-unterteil
- Gummibuchse
- Filtereinsatz
- Schraube, 3 nm
- Geber für ansauglufttemperatur
- O-ring Immer ersetzen.
- Luftfiltergehäuse-oberteil
	hinweis: luftfiltergehäuse-oberteil
	und -unterteil bilden die obere motorabdeckung.
Ausbau: obere motorabdeckung an den 4 ecken von den halterungen und von der drossselklappen- steuereinheit nach oben abziehen. 
- Belüftungsschlauch vom nockenwellengehäuse.
- Schrauben, 3 nm achtung: die selbstschneidenden schrauben dürfen nicht mit einem akku-schrauber gelöst oder angezogen werden, sonst kann das gewinde im saugrohr oder im luftfiltergehäuse- unterteil beschädigt werden.
1,6-L-benzinmotor 75 kw 2,0-l-fsi-benzinmotor 2,0-l-dieselmotor (2-vent.)

Hinweis: a - luftfilter-ausgang.
Position - 5 - bis - 7 - nur 2,0-l-benzinmotor.
Position -31- bis -37- nur dieselmotor (1,6-l-benziner ähnlich, ohne pos. -34/35-).
- Schraube, 5 nm
- Luftkanal zum stoßfänger.
- Lufttrichter
- Schieber
- Federbandschelle
- Ansaugschlauch
- Anschluss für saugstrahlpumpe
- Halter
- Schraube, 2 nm
- Schraube, 8 nm
- Schraube. 3 Nm
- Luftfilterdeckel
- Filtereinsatz
- Luftfiltergehäuse
- Dichtring
- Geber 2 für ansauglufttemperatur
- Schraube, 2 nm
- Vorvolumen
- Mutter, 20 nm
- Federbandschelle
- Ansaugluftführung
- Schraube, 2 nm
- Schnappmutter
- Federbandschellen
- Ansaugschlauch
- Schraube, 3 nm
- Luftmassenmesser
- O-ring
- Luftführung
- Unterdruckschlauch zum ventil für abgasrückführung.
1,9-/2,0-L-dieselmotor (4-vent.) Abbildung n23-10000

- Ansaugschlauch zum abgas-turbolader.
- Luftmassenmesser
- O-ring bei beschädigung ersetzen.
- Schraube, 8 nm
- Luftfilterdeckel
- Schraube, 8 nm
- Unterdruckschlauch zum magnetventilblock.
- Filtereinsatz
- Luftführung zum schlossträger.
- Luftfiltergehäuse
- Mutter, 10 nm
Siehe auch:
Reifenpflegetipps
   Reifen haben ein "gedächtnis". Unsachgemäße behandlung
- und dazu zählt beispielsweise auch schon schnelles
oder häufiges überfahren von bordstein- oder schienenkanten ...
   
Guinness Weltrekord: Passat durchfährt 48 US-Staaten mit bislang unerreicht niedrigem Verbrauch
   Ein Klassiker unter allen Verbrauchsfahrten weltweit ist die Durchfahrung aller US-Bundesstaaten mit Ausnahme von Alaska und Hawaii. Diese Strecke von 8.122 Meilen (etwa 13.071 km) hat jetzt ein im US ...
   
Gebläsemotor/vorwiderstand für heizung
aus- und einbauen
   Golf/touran
Ausbau
	Batterie abklemmen. Achtung: hinweise im kapitel "batterie
	aus- und einbauen" beachten.
	2 Kunststoffschrauben -2- herausdrehen und abdeckung
	- 1 - oben im beifahr ...
   


