Türschloss/lagerbügel für türaußengriff aus - und einbauen (golf)
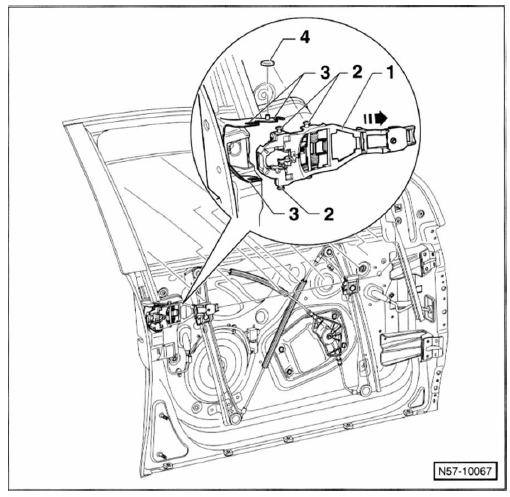
Lagerbügel/tür vorn

- Lagerbügel
Ausbau
- Schließzylinder ausbauen, siehe entsprechendes kapitel.
- Türaußengriff ausbauen, siehe entsprechendes kapitel.
- Türaußenblech ausbauen, siehe entsprechendes kapitel.
- Sicherungsgummi - 4 - nach oben vom führungsbolzen - 2 - und vom haltebolzen an der aufnahme - 3 - abziehen.
- Lagerbügel in pfeilrichtung aus den aufnahmen - 3 - herausziehen.
Einbau
- Lagerbügel so am türinnenteil einschieben, dass die führungsbolzen - 2 - in die aufnahmen - 3 - einrasten.
- Sicherungsgummi - 4 - über die bolzen legen.
- Der weitere einbau erfolgt in umgekehrter ausbaureihenfolge.
2 - Führungsbolzen
3 - Aufnahmen für führungsbolzen
4 - Sicherungsgummi
Hinweis: der lagerbügel an der hintertür wird in der gleichen weise ausgebaut.
Türschloss/tür vom

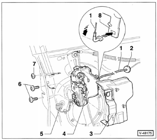
- Seilzug
- Abstandshalter, führung
- Abdeckung über türschloss
- Türschloss
Ausbau
- Lagerfcügel ausbauen.
- Steckverbindung - 5 - trennen.
- 2 Schrauben - 6 - herausdrehen.
- Seilzug - 1 - um 90" drehen und
aus öse im umlenkhebel - 8 - herausziehen.
Hinweis: ausbau in entgegengesetzter pfeilrichtung.
- Türschloss aus der tür herausziehen.
Einbau
- Der einbau erfolgt in umgekehrter ausbaureihenfolge. Türschloss mit 18 nm festschrauben.
- Bei geöffneter tür schließmechanismus auf funktion prüfen
5 - Steckverbindung
6 - 2 Schrauben, 18 nm
7 - Abdeckkappe über sicherungsschraube.
8 - Umlenkhebel
Hinweis: das türschloss an der hintertür wird in der gleichen weise ausgebaut.
Siehe auch:
Beschreibung der Geschwindigkeitsregelanlage
(GRA)
Die Geschwindigkeitsregelanlage (GRA) hält eine eingestellte
Geschwindigkeit
ab etwa 20 km/h konstant.
Wenn die gewünschte Geschwindigkeit erreicht ist und diese gespeichert wurde,
kan ...
Zuheizelement aus- und einbauen
Golf, dieselmotor
Ausbau
Achtung: zuheizelement vor dem ausbau abkühlen lassen.
Batterie abklemmen. Achtung: hinweise im kapitel "batterie
aus- und einbauen" beachten.
Obere abdeckung i ...
Schlüsselsatz
Abb. 25 Schlüsselsatz
Der Schlüsselsatz zu Ihrem Fahrzeug beinhaltet zwei27 Funkschlüssel Abb. 25
mit ausklappbarem
Schlüsselbart.
Ersatzschlüssel
Wenn Sie einen Ers ...


