Türseitenaufprallschutz aus- und einbauen (golf)
Hinweis: beschrieben wird der aus- und einbau an der vordertür.
Der seitenaufprallschutz an der hintertür wird in ähnlicher weise ausgebaut.
Ausbau
- Türaußenblech ausbauen, siehe entsprechendes kapitel.

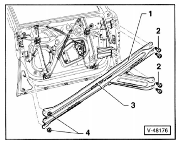
- 4 Schrauben - 2 - und 2 muttern - 4 - herausdrehen.
- Seitenaufprallschutz - 1 - mit dämpfungsmatte - 3 - vom türinnenteil abnehmen.
Einbau
- Der einbau erfolgt in umgekehrter ausbaureihenfolge.
Dabei schrauben und muttern mit 20 nm festziehen.
Siehe auch:
Vergleichstest: Golf GTD 2013 gegen Golf GTD 1983 ? Beide waren und sind Leuchttürme der Automobil-Technik
Das Kürzel GTD hat auf Dieselfahrer eine magische Wirkung und eine lange Tradition. Vor 31 Jahren debütierte der erste GTD und revolutionierte mit seinem aufgeladenen Diesel-Triebwerk den Ma ...
Vorstellung VW Tiguan: Auf der Überholspur zu Hause
Volkswagen hat das Tempo seiner Neuheiten erhöht, eine Markteinführung jagt die nächste Vorstellung. Jetzt steht der neue Tiguan am Start, dessen Frontpartie optisch an den Touareg erin ...
VW Golf bringt attraktive Neuheiten in die Kompaktklasse
Volkswagen erweitert seine Angebotspalette für den Golf um Sonderausstattungen – für ein Plus an Sicherheit und Komfort. Seine Premiere in der Golfklasse feiert als lang erwartete Inno ...


