Türfensterscheibe aus- und einbauen (golf)
Vordertür/golf
Ausbau
- Türverkleidung ausbauen, siehe entsprechendes kapitel.

- 2 Abdeckkappen - 4 - aus dem türrahmen heraushebeln.
- Türfensterscheibe - 1 - so weit herunterfahren, bis die klemmschrauben - 3 - in den montageöffnungen zugänglich sind.
Achtung: lässt sich die fensterscheibe nicht absenken, zum beispiel wegen einer störung des elektrischen fensterhebers, fensterhebermotor abschrauben und fensterscheibe von hand herunterdrücken.
- Klemmschrauben - 3 - durch drehen im uhrzeigersinn lockern, aber nicht herausdrehen.
Hinweis: die klemmschrauben - 3 - sind sowohl von außen als auch von innen zugänglich. An der türinnenseite werden sie durch rechtsdrehen gelockert.
- Klemmbacken der aufnahmen - 2 - auseinanderdrücken.

- Türfensterscheibe hinten anheben und in pfeilrichtung nach vorn aus der tür herausschwenken.
Einbau
- Der einbau erfolgt in umgekehrter ausbaureihenfolge.
Darauf achten, dass die türfensterscheibe richtig in die fensterführung eingesetzt wird. Türfensterscheibe an der hinteren fensterführung ausrichten. Klemmschrauben durch drehen gegen den uhrzeigersinn mit 8 nm festziehen.
- Fensterheber auf funktion prüfen.
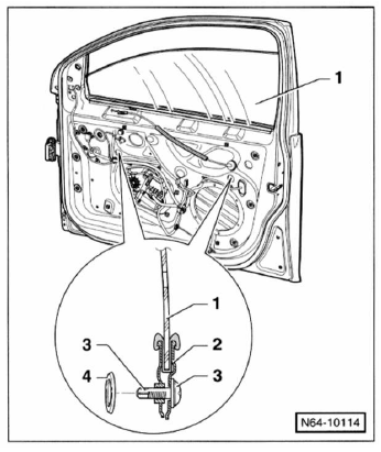
Hintertür/golf
Ausbau
- Türverkleidung ausbauen, siehe entsprechendes kapitel.

- Abdeckkappe - 1 - heraushebeln.
- Türfensterscheibe absenken, bis der spreizstift - 4 - und der spreizdübel - 3 - in der montageöffnung zugänglich sind. 2 - Fensterheberführung.
- Schraube (5 x 70 mm) in den spreizstift - 4 - eindrehen und spreizstift aus dem spreizdübel herausziehen.
- Schraube (8 x 80 mm) in den spreizdübel - 3 - eindrehen und spreizdübel aus der klemmbacke herausziehen.
Achtung: beim eindrehen der schraube kann der dübel durch zu starken druck nach hinten in den türrahmen fallen.

- Vordere fensterführung - 3 - aus der aufnahme herausziehen, schrauben - 2 - herausdrehen und blende - 1 - nach vorne -pfeil- abziehen.
- Türfensterscheibe nach oben aus dem fensterschacht herausziehen.
Einbau

- Neuen spreizdübel - 2 - so in die türfensterscheibe - 3 - einsetzen, dass er an beiden seiten der scheibe gleich viel herausragt.
- Neuen spreizstift - 1 - in den dübel hineindrücken.
- Türfensterscheibe - 3 - in den fensterschacht einführen, nach unten schieben und in den schlitz der fensterheberführung - 4 - einsetzen. Scheibe durch einen leichten schlag von oben einrasten.
- Der weitere einbau erfolgt in umgekehrter ausbaureihenfolge.
- Batterie anklemmen. Achtung: hinweise im kapitel "batterie aus- und einbauen" beachten.
- Fensterheber vor einbau der türverkleidung auf funktion prüfen.
Siehe auch:
Parken
Beim Parken sollte immer die Handbremse fest angezogen werden.
Wenn Sie parken, beachten Sie bitte Folgendes:
? Halten Sie das Fahrzeug mit der Fußbremse an.
? Ziehen Sie die Handbremse fest ...
Gelenkwelle / gelenkschutzhüllen / gleichlaufgelenke
Gleichlaufgelenk vl 107
Hinweis: die gelenkwellen mit den
gleichlaufgelenken vl 90 und vl 100
sind im prinzip gleich aufgebaut.
Radnabenschraube *
selbstsichernd. Mit 200 nm voranziehen,
...
Bedingungen für den Einbau eines rückwärts
gerichteten Kindersitzes auf dem Beifahrersitz
Rückwärts zur Fahrtrichtung gerichtete Kindersitze dürfen bei aktiviertem
Beifahrer-Frontairbag niemals auf dem Beifahrersitz benutzt
werden.
Der aktive Frontairbag auf der Beifahrer ...


