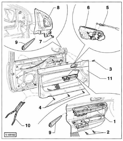
Türverkleidung aus- und einbauen (golf)
Fahrertür/golf

1 - Griffschale
2 - 2 Schrauben
3 - Schraube
4 - 3 Schrauben
5 - Seilzug für türöffner innen
6 - Türöffner innen
7 - Schraube
8 - Dreieckblende
9 - Kunststoffkeil zum beispiel hazet 1965-20.
10 - Lösezange zum beispiel hazet 799-4
11 - Türverkleidung, fahrertür
Ausbau
- Mit einem kunststoffkeil -9- griffschale - 1 - nach oben aus der verkleidung heraushebeln
- Steckverbindungen an der rückseite der griffschale abziehen.
- Schrauben -2/3/4- herausdrehen.
- Mit einer lösezange - 1 0 - verkleidung an den halteclips unten und an den seiten ablösen.
- Verkleidung nach oben aus dem fensterschacht ziehen.
- Steckverbindungen an der rückseite der verkleidung trennen.
- Seilzug - 5 - am türöffner - 6 - aushängen und verkleidung abnehmen.
Schraube - 7 - herausdrehen.
- Dreieckblende -8- mit einem kunststoffkeil ablösen.
- An der rückseite stecker für hochtonlautsprecher abziehen.
Einbau
- Der einbau erfolgt in umgekehrter ausbaureihenfolge. Halfeclips überprüfen, wenn nötig, ersetzen.
Beifahrertür/golf

12-Türverkleidung, beifahrertür
- Mit einem kunststoffkeil -9- blende - 1 3 - vom türgriff abhebein.
- Schrauben -14/15/16- herausdrehen.
Verkleidung mit einer lösezange - 1 0 - an den halteclips unten und an den seiten ablösen.
- Der weitere aus- und einbau erfolgt wie bei der fahrertür.
13 - Blende für türgriff
1 4 - 2 Schrauben
15 - Schraube
1 6 - 3 Schrauben
Hintertüren/golf
Die verkleidung an den hinterfüren des 4-türers wird in ähnlicher weise ausgebaut wie bei der beifahrertür. Die verkleidung ist unten mit nur einer schraube befestigt.
Hintertür mit fensterkurbel: zunächst fensterkurbel ausbauen, siehe entsprechendes kapitel.
Siehe auch:
Batterie entlädt sich selbstständig
Je nach fahrzeugausstattung addiert sich zur natürlichen
selbstentladung der batterie auch die stromaufnahme der
verschiedenen stromverbraucher im ruhezustand. Daher
sollte die batterie in ein ...
VW Touareg V6 TDI BMT im Test: Neuer Einstiegsdiesel
VW Touareg-Interessenten, die gerne 2.750 Euro und einen knappen halben Liter Diesel pro 100 km sparen möchten, können jetzt zum neuen Einstiegs-V6-TDI mit 204 PS greifen. Der unterbietet al ...
Sitze hinten im touran aus- und einbauen
2. Sitzreihe
Ausbau
Kopfstütze ganz nach unten schieben.
Hebel vorne am sitz nach oben ziehen und sitz ganz
nach hinten schieben.
Schlaufe an der seite des sitzes ziehen und lehne nach ...


